LM723 Power Supply: Circuit Diagram & Guide

F.3cx 70 views
LM723 Power Supply: Circuit Diagram & Guide

LM723 Power Supply Circuit Diagram: A Comprehensive Guide

Hey, tech enthusiasts! Ever found yourself knee-deep in electronics projects needing a reliable power supply? Well, look no further! Today, we’re diving into the LM723 power supply circuit diagram , a versatile and widely-used integrated circuit that’s a staple in many electronics labs. This guide will walk you through everything you need to know, from the basics to advanced applications, ensuring you can confidently build and troubleshoot your own power supply. Let’s get started!

Understanding the LM723 Voltage Regulator

The LM723 is a monolithic integrated circuit designed for use as a voltage regulator. This little chip is incredibly flexible, capable of providing both positive and negative regulated voltages. It can be configured to deliver a wide range of output voltages and currents, making it suitable for various applications. Whether you’re powering a sensitive microcontroller or a beefy amplifier, the LM723 can be tailored to meet your needs. Its popularity stems from its robustness, ease of use, and readily available documentation. This makes it an excellent choice for hobbyists, students, and even professional engineers. The LM723 incorporates several key features, including current limiting, thermal shutdown, and adjustable output voltage. These features ensure the power supply operates safely and reliably, protecting both the regulator itself and the load it powers. Furthermore, its internal circuitry includes a reference voltage source, an error amplifier, and a series pass transistor driver, all integrated into a single package. This integration simplifies the design process, reducing the number of external components required and minimizing the overall size of the power supply.

Key Features of LM723

  • Wide Input Voltage Range : The LM723 can handle a broad range of input voltages, typically from 12V to 40V, providing flexibility in power source selection.
  • Adjustable Output Voltage : The output voltage can be easily adjusted using external resistors, allowing for precise voltage regulation to meet specific requirements.
  • Current Limiting : Built-in current limiting circuitry protects the regulator and the load from overcurrent conditions, enhancing the reliability of the power supply.
  • Thermal Shutdown : The thermal shutdown feature prevents the regulator from overheating, automatically shutting down the output if the temperature exceeds a safe limit.
  • High Output Current Capability : With the addition of an external pass transistor, the LM723 can deliver output currents of several amperes, suitable for powering high-current loads.

Basic LM723 Power Supply Circuit Diagram

The most fundamental LM723 power supply circuit diagram involves a few essential components wired around the LM723 chip. This basic configuration typically includes input and output capacitors for smoothing, a voltage divider for setting the output voltage, and a current limiting resistor for protection. The input capacitor helps to filter out any noise or ripple from the input voltage source, ensuring a stable and clean supply for the regulator. The output capacitor further smooths the regulated output voltage, minimizing any transient voltage spikes or dips. The voltage divider, usually consisting of two resistors, determines the desired output voltage by providing a feedback signal to the error amplifier within the LM723. By adjusting the values of these resistors, you can precisely set the output voltage to your desired level. The current limiting resistor is placed in series with the output and limits the maximum current that the power supply can deliver. This protects the regulator and the load from damage in case of a short circuit or excessive current draw. Understanding this basic circuit is crucial before moving on to more complex designs. It forms the foundation upon which more advanced features and functionalities are built. Furthermore, experimenting with this basic circuit allows you to gain a deeper understanding of how the LM723 operates and how different components affect its performance. You can try different capacitor values to observe their impact on the ripple and transient response, or adjust the voltage divider resistors to see how the output voltage changes. This hands-on experience is invaluable for troubleshooting and optimizing your power supply designs.

Components Required

  • LM723 Voltage Regulator IC
  • Resistors (for voltage divider and current limiting)
  • Capacitors (input and output filtering)
  • Potentiometer (optional, for adjustable output voltage)
  • Diode (for reverse polarity protection, optional)

Step-by-Step Guide to Building a Basic Power Supply

  1. Plan Your Circuit : Start by sketching out the LM723 power supply circuit diagram on paper or using a circuit simulation software. This will help you visualize the connections and ensure you have all the necessary components.
  2. Assemble Components : Gather all the required components and arrange them neatly on a breadboard or prototyping board. This will make it easier to connect them according to the circuit diagram.
  3. Connect the Circuit : Carefully connect the components according to the circuit diagram, ensuring that the polarities of the capacitors and diodes are correct. Use jumper wires to make the connections on the breadboard.
  4. Double-Check Connections : Before applying power, double-check all the connections to ensure there are no mistakes. A wiring error can damage the components or the LM723 IC.
  5. Apply Power : Connect the input voltage source to the circuit and measure the output voltage using a multimeter. Adjust the potentiometer (if used) to set the desired output voltage.

Advanced LM723 Power Supply Designs

Once you’re comfortable with the basic LM723 power supply circuit diagram , you can explore more advanced designs to enhance performance and add extra features. One common modification is to add an external pass transistor to increase the output current capability. The LM723 can only provide a limited amount of current on its own, typically around 150mA. By using an external transistor, you can boost the output current to several amperes, allowing you to power more demanding loads. Another enhancement is to incorporate current foldback protection. Current foldback is a technique that reduces the output current when a short circuit is detected, providing better protection for the regulator and the load. This is particularly useful in applications where short circuits are likely to occur. You can also add overvoltage protection to prevent the output voltage from exceeding a safe level. This can be achieved using a zener diode or a dedicated overvoltage protection IC. When the output voltage exceeds the zener voltage, the zener diode conducts and triggers a crowbar circuit, which shorts the output to ground, protecting the load from damage. Furthermore, you can implement remote sensing to compensate for voltage drops in the output wires. Remote sensing involves connecting the feedback resistors directly to the load, rather than to the output terminals of the regulator. This allows the regulator to sense the voltage at the load and compensate for any voltage drops in the wires, ensuring a more accurate and stable output voltage.

Increasing Output Current

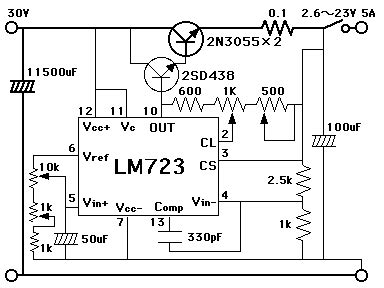
To increase the output current, you’ll need an external NPN or PNP transistor, depending on whether you’re building a positive or negative voltage regulator. The transistor acts as a current amplifier, allowing the LM723 to control a much larger current. The base of the transistor is connected to the output of the LM723, and the collector is connected to the input voltage source. The emitter is connected to the load. A resistor is placed in series with the base to limit the base current and protect the LM723. The value of this resistor depends on the gain of the transistor and the desired output current. When the LM723 turns on, it provides a small current to the base of the transistor, which causes the transistor to conduct and allow a much larger current to flow from the collector to the emitter, and then to the load. The LM723 regulates the base current, which in turn regulates the output current. By choosing a transistor with a high gain and appropriate power rating, you can significantly increase the output current capability of the power supply.

Adding Current Foldback Protection

Current foldback protection reduces the output current when a short circuit is detected, providing better protection for the regulator and the load. This is achieved by using a sense resistor in series with the output and a transistor to reduce the output voltage when the current exceeds a certain threshold. When the output current is normal, the voltage drop across the sense resistor is small, and the transistor remains off. However, when a short circuit occurs, the output current increases dramatically, causing a larger voltage drop across the sense resistor. This voltage drop turns on the transistor, which reduces the output voltage and limits the output current. The output current is folded back to a lower level, protecting the regulator and the load from damage. The foldback current level can be adjusted by changing the value of the sense resistor and the transistor’s base resistor. This technique is particularly useful in applications where short circuits are likely to occur, such as in battery chargers or power supplies for sensitive electronic equipment.

Troubleshooting Common Issues

Even with a well-designed LM723 power supply circuit diagram , things can sometimes go wrong. Here are some common issues and how to troubleshoot them:

  • No Output Voltage : Check the input voltage, the wiring, and the LM723 chip itself. Make sure the input voltage is within the specified range for the LM723. Verify that all the connections are correct and that there are no short circuits or open circuits. If the LM723 is damaged, it may need to be replaced.
  • Incorrect Output Voltage : Verify the resistor values in the voltage divider network. Even a small error in the resistor values can cause a significant change in the output voltage. Use a multimeter to measure the resistance of each resistor and compare it to the expected value. Also, check the potentiometer (if used) to make sure it is properly adjusted.
  • Unstable Output Voltage : This could be due to inadequate filtering, oscillations, or a faulty LM723. Add more capacitance to the input and output filters to smooth out any voltage fluctuations. Check for oscillations using an oscilloscope and add a small capacitor across the feedback resistor to stabilize the circuit. If the LM723 is faulty, it may need to be replaced.
  • Overheating : Ensure the LM723 is properly heatsinked and that the input voltage is not too high. A heatsink helps to dissipate the heat generated by the LM723, preventing it from overheating. If the input voltage is too high, it can cause the LM723 to work harder and generate more heat. Reduce the input voltage to the specified range for the LM723.

LM723 Power Supply Circuit Diagram: Applications

The LM723’s versatility makes it suitable for a wide array of applications:

  • Bench Power Supplies : Ideal for providing adjustable and regulated voltage in electronics labs.
  • Battery Chargers : Used in linear battery charger circuits to provide constant voltage and current.
  • Adjustable Voltage Regulators : Perfect for applications requiring a variable voltage source.
  • Linear Power Supplies : A core component in many linear power supply designs.

Conclusion

The LM723 power supply circuit diagram is a fundamental tool in electronics. With its flexibility and ease of use, it’s an excellent choice for both beginners and experienced engineers. By understanding the basic principles and exploring advanced designs, you can create reliable and versatile power supplies for a wide range of applications. So go ahead, grab your components, and start building! Happy experimenting, and remember to always double-check your connections!